廣東康明節能空調有限公司
聯 系 人:
王經理
聯系電話:
13728927868
公司郵箱:
km23055667@163.com
公司地址:
深圳市龍華區龍華大道2125號衛東龍商務大廈A座1916A
冷卻塔系統規范要求主機尺寸盡量匹配,以適應負載的變化,但此時連接冷凝器、水泵和冷卻塔是很麻煩的。
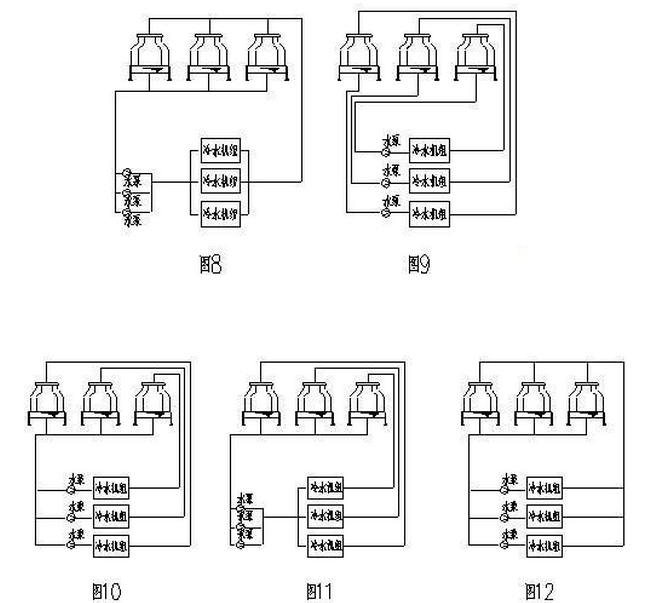
工程中,多臺冷卻塔并聯運行時,一般有5種配管方式,見圖8-12。

圖9 管道布置最為復雜,占用空間大,但流量分布合理,運行可靠性高。 圖8、圖10、圖11中的管線布置簡單,但經常出現溢流補水現象。 主要原因是:
1、一般在塔的進水管上安裝電動閥,出水管上不裝。 未運行的塔的進水閥關閉,但出水管已連接。 單臺機組運行時,所用冷卻塔的水盤水位升高,造成溢流,而其他不運行的冷卻塔的水盤不斷補水。
2、各塔配水不平衡,主要是管道布置問題。 有的塔進水管阻力小,出水管阻力大; 進水多進水少,導致溢出。 相反,有些塔會不斷補充水。
3、當幾個不同大小的冷卻塔連接在一起時,塔內水位不一樣,水盤低的塔難免會溢出。
基于以上問題,設計時要注意平衡問題,包括水位平衡和水量平衡。 聯合取水法通常采取以下措施:
1、圖8中,各冷卻塔進出水管均裝有電動閥,與水泵、冷卻塔風機聯鎖。
2、圖8、圖10、圖11中各冷卻塔(包括大小不同的塔)的水位應控制在同一高度,高度差不大于30mm。 塔間安裝冷卻塔平衡管,加大出水管公用管段直徑。
3、對于圖8和圖11,為了平衡每臺冷水機的水量,可以在每臺冷水機的出水口安裝一個平衡閥。 圖12 流水線布局簡單,系統流程易于平衡。 我們公司經常采用這種方法。
冷卻塔維修應盡可能交給專業的冷卻塔維修廠家, 更多冷卻塔問題,可以繼續關注我們也可以來電免費咨詢冷卻塔故障解決方案,以上就是馬利冷卻塔維修廠家廣東康明節能空調為大家整理多臺冷卻塔并聯使用的注意事項的全部內容了,希望對大家有所幫助。
文章來源: 多臺冷卻塔并聯使用的注意事項 http://www.flboyi.com/news/203.html